Proudový chránič: Nepostradatelný průvodce elektrickou bezpečností v moderní instalaci
Elektrická energie je dnes základním pilířem naší civilizace, ale s jejími nepopiratelnými výhodami přichází i skryté nebezpečí. I ty nejmenší poruchy v elektroinstalaci, na které běžné jističe nereagují, mohou mít fatální následky. Pro moderní ochranu osob a majetku se proto stal naprosto klíčovým prvek, který reaguje právě na tato skrytá rizika: proudový chránič, lidově zvaný "fíčko" nebo odborně označovaný zkratkou RCD (Residual Current Device).
Proudový chránič – nepostradatelný strážce vašeho bezpečí
Co je proudový chránič a proč je klíčový pro každou moderní instalaci?
Proudový chránič je elektrický přístroj, který se svým vzhledem podobá jističi a slouží k ochraně před poruchou elektrického okruhu, která by mohla ohrozit lidský život či majetek. Jeho hlavní úlohou je chránit osoby a zvířata před úrazem elektrickým proudem, a to i v případech, kdy dojde k přímému dotyku s částí okruhu pod napětím nebo k poruše izolace, která umožní únik proudu do země. Běžné chrániče pro domovní instalace dokáží detekovat a odpojit i velmi malý unikající proud o velikosti pouhých 30 mA, a to v řádu několika desítek milisekund. Tato rychlost reakce je kritická, neboť může zabránit vážným zraněním nebo dokonce smrtelnému úrazu, ke kterému by mohlo dojít při selhání jiných ochranných opatření.
Ukázka proudového chrániče
Ochrana proudovým chráničem už dávno není volitelným nadstandardem, ale stala se základním bezpečnostním prvkem každé nové elektroinstalace. Rychlé odpojení vadných částí systému rovněž přispívá k ochraně majetku před požáry způsobenými plazivými proudy a zvyšuje celkovou spolehlivost elektrických systémů v domácnostech.
Zásadní rozdíl: Chránič vs. Jistič a role "kombíku" (RCBO)
Pro laickou veřejnost může být snadné zaměnit proudový chránič a jistič. Přestože oba prvky slouží k ochraně elektroinstalace i jejích uživatelů, jejich funkce se zásadně liší. Jistič (MCB – Mini Circuit Breaker) je primárně navržen k ochraně elektrického vedení a spotřebičů před nadproudem. Funguje na principu termické (bimetal) a magnetické spouště, které reagují na přetížení okruhu nebo na zkrat, tedy na proud o hodnotě, která je několikanásobně vyšší než jmenovitý proud okruhu.
Proudový chránič naopak reaguje na zcela jiný typ poruchy – na reziduální (unikající) proud. Nechrání před zkratem ani přetížením, a proto nemůže jistič nahradit. Z tohoto důvodu musí být v každém obvodu chráněném proudovým chráničem vždy i nadproudová ochrana, typicky jistič nebo pojistka. V praxi se toto nutné spojení stalo základem pro moderní přístroj zvaný "jističochránič" nebo RCBO (Residual Current Operated Circuit Breaker with Overcurrent protection), který v jednom kompaktním modulu kombinuje obě funkce a představuje ideální a komplexní řešení pro současné elektroinstalace.
Kombinovaný jistič/chránič
Účel ochrany:
Jistič (MCB) - Chrání elektrické vedení a spotřebiče.
Proudový chránič (RCD) - Chrání osoby a zvířata před úrazem.
Typ detekované poruchy:
Jistič (MCB) - Nadproud (přetížení, zkrat).
Proudový chránič (RCD) - Reziduální (unikající) proud do země.
Princip funkce:
Jistič (MCB) - Termické (bimetal) a magnetické spouště reagují na vysoký proud.
Proudový chránič (RCD) - Součtový transformátor porovnává proud ve fázovém a nulovém vodiči.
Typická reakční doba:
Jistič (MCB) - Od desítek milisekund (zkrat) až po minuty (přetížení).
Proudový chránič (RCD) -
Desítky milisekund (např. do 30 ms).
Typické hodnoty proudu pro vybavení:
Jistič (MCB) - Násobek jmenovitého proudu (např. 16 A, 20 A).
Proudový chránič (RCD) - Velmi malý proud (např. 30 mA, 10 mA).
Povinnost instalace v ČR:
Jistič (MCB) - Ano, povinný pro všechny obvody.
Proudový chránič (RCD) -
Povinný pro většinu obvodů (viz normy).
Základní principy a technologie
Jak funguje proudový chránič: Princip rovnováhy a reziduálního proudu
Jádro funkce proudového chrániče spočívá v principu rovnováhy proudů: proud, který do obvodu vtéká fázovým vodičem (L), se musí celý vrátit zpět nulovým vodičem (N). Za normálního provozu je rozdíl mezi těmito proudy nulový. Srdcem chrániče je toroidní (prstencový) součtový transformátor, kterým procházejí fázový i nulový vodič. Tyto vodiče vytvářejí protichůdná magnetická pole, jež se za normálního stavu navzájem ruší a výsledný magnetický tok je roven nule.
Pokud ale dojde k poruše, například narušením izolace nebo dotykem osoby s živou částí, část proudu začne unikat mimo pracovní obvod, typicky do země (zemní poruchový proud). V takovém případě je rovnováha proudů narušena a rozdíl mezi proudem, který do obvodu vtéká a který se vrací, je nenulový. Tento rozdíl se nazývá reziduální proud. V součtovém transformátoru se vlivem této nerovnováhy vytvoří magnetický tok, který indukuje napětí v pomocné cívce. Toto napětí aktivuje magnetické relé, které okamžitě mechanicky uvolní vypínací mechanismus a rozpojí obvod.
Zapojení a činnost proudového chrániče
Pro ochranu osob je klíčové, aby chránič vybavil při velmi malém unikajícím proudu, obvykle 30 mA. Tato hodnota je zvolena s ohledem na bezpečnostní limity pro lidské tělo. Proudový chránič s citlivostí 300 mA se naopak používá primárně k ochraně majetku před vznikem požáru. Tyto chrániče jsou schopny detekovat a vypnout zemní poruchové proudy, které by sice nemusely představovat bezprostřední riziko úrazu, ale mohly by způsobit přehřívání nebo jiskření, vedoucí ke vzniku požáru.
Záznam průběhu EKG lidského srdce při zasažení elektrickým proudem
Proudový chránič vs. Jistič: Komplexní porovnání a synergie
Jak již bylo zmíněno, jistič a proudový chránič mají zcela odlišné funkce, ale jejich vzájemná kombinace tvoří základ moderní a spolehlivé ochrany. Jistič chrání elektroinstalaci před následky vysokých proudů vzniklých přetížením nebo zkratem, které by mohly vést k poškození vodičů či dokonce k požáru. Jeho mechanismus je nastaven tak, aby reagoval na proudy, které jsou pro vedení nebezpečné, což je zpravidla několikanásobek jeho jmenovité hodnoty. Zkratové proudy například musí často přesáhnout 3x až 5x jmenovitý proud, aby jistič vypnul.
Na druhou stranu, proudový chránič je strážcem, který je citlivý na proudy, jež jsou pro lidské tělo nebezpečné, i když jsou pro elektroinstalaci naprosto neškodné. Reaguje na reziduální proudy v řádu desítek miliampérů. K úrazu elektrickým proudem při dotyku s živou částí může dojít i v obvodu, kde zátěžový proud zůstává v normě, a jistič by tedy neměl žádný důvod reagovat. Proudový chránič tak poskytuje doplňkovou ochranu, která zachraňuje životy, zatímco jistič plní svou základní roli ochrany majetku.
Toto vzájemné doplňování funkcí je klíčové. Žádný z těchto přístrojů neposkytuje sám o sobě komplexní ochranu. Zkrat mezi pracovními vodiči (například fází a nulou) nezajistí vybavení proudového chrániče, protože rovnováha proudů není narušena – proud sice výrazně stoupne, ale zůstává v obvodu. V takové situaci musí reagovat jistič, a to velmi rychle. Proto je instalace obou prvků v jednom obvodu nezbytná a je předepisována normami. Použití kombinovaných přístrojů, jističochráničů (RCBO), se tak stalo moderním standardem, protože v jednom kompaktním zařízení řeší obě úlohy současně a poskytují tak maximální úroveň ochrany.
Typy proudových chráničů a jejich specifické aplikace
Pro správnou funkci a spolehlivost elektroinstalace je nezbytný nejen samotný proudový chránič, ale i volba jeho správného typu. Jednotlivé typy se liší svou schopností detekovat různé průběhy unikajících proudů, které generují moderní elektrické spotřebiče.
Proudový chránič typu AC a A: Od minulosti k současnému standardu
Typ AC: Tento základní typ proudového chrániče je citlivý pouze na střídavé (sinusové) reziduální proudy. Byl navržen pro starší elektroinstalace, kde se používaly především spotřebiče s odporovou zátěží, jako jsou žárovky, bojlery, rychlovarné konvice a toustovače. V dnešní době je však pro většinu aplikací, a zejména pro světelné obvody, považován za nedostatečný a normy dokonce jeho použití zakazují.
Typ A: S nástupem moderní elektroniky a spotřebičů se spínanými zdroji se začaly objevovat nové typy poruchových proudů. Proto byl vyvinut typ A, který dokáže detekovat nejen střídavé sinusové proudy, ale také pulzující stejnosměrné reziduální proudy. K těmto proudům dochází v obvodech s počítači, sušičkami, pračkami, myčkami, fény, mikrovlnnými troubami a moderním LED osvětlením. Právě tyto spotřebiče jsou dnes v domácnostech naprostou samozřejmostí, a proto se proudový chránič typu A stal moderním standardem pro domovní instalace. Jeho použití je nezbytné, protože poruchové proudy se stejnosměrnou složkou mohou způsobit "zmagnetování" feromagnetického jádra v chrániči typu AC a snížit jeho citlivost, což v konečném důsledku ohrožuje bezpečnost.
Proudový chránič typu F: Revoluce pro domácí elektroniku s frekvenčními měniči
Proudový chránič typu F představuje pokročilou variantu, která staví na vlastnostech typu A a rozšiřuje je. Vedle detekce střídavých a pulzujících stejnosměrných proudů je schopen detekovat také smíšené frekvence a pulzující stejnosměrné proudy, které jsou superponovány na malou hladkou stejnosměrnou složku (až do 10 mA). Tyto komplexní poruchové proudy jsou typické pro zařízení s jednofázovými frekvenčními měniči, jako jsou moderní pračky s invertorovými motory, tepelná čerpadla, moderní klimatizační jednotky a některé elektrické nářadí.
Velkou výhodou proudového chrániče typu F je jeho zvýšená odolnost proti nežádoucímu vybavování. Díky vnitřnímu zpoždění a vyšší odolnosti proti rázovým proudům (> 3 kA) dokáže snížit četnost falešných výpadků, které mohou být způsobeny krátkodobými jevy, jako je spínání spotřebičů nebo rušení v síti. Tato vlastnost zajišťuje, že instalace je nejen bezpečnější, ale také spolehlivější, což je klíčové pro plynulý chod moderní domácnosti.
Proudový chránič typu B: Ultimativní ochrana pro speciální zátěže
Nejvyšší úroveň ochrany zajišťuje proudový chránič typu B. Tento typ dokáže detekovat všechny typy reziduálních proudů, včetně hladkého stejnosměrného proudu. Hladký stejnosměrný proud je obzvláště nebezpečný, protože může zcela zasytit toroidní transformátor a znemožnit vybavení chrániče nižších typů (AC, A, F) v případě souběžné poruchy.
Použití chráničů typu B je proto nezbytné v obvodech, kde je vysoká pravděpodobnost výskytu hladkých stejnosměrných unikajících proudů. Mezi typické aplikace patří fotovoltaické (FV) elektrárny, nabíjecí stanice pro elektromobily, svařovací invertory, výtahy a další průmyslová zařízení. S rostoucím trendem elektromobility a využíváním obnovitelných zdrojů energie v domácnostech se s chrániči typu B setkáváme stále častěji i v rezidenčních instalacích.
AC
Detekovaný
proud: Střídavý sinusový proud
Příklady
použití: Starší instalace, topení, bojlery, žárovky, kde nejsou
moderní spotřebiče. V moderních instalacích nevhodný.
A
Detekovaný proud:
Střídavý a pulzující stejnosměrný proud
Příklady použití:
Standard pro moderní domácnosti: počítače, pračky, sušičky,
myčky, mikrovlnné trouby, LED osvětlení.
F
Detekovaný proud:
Typ A + smíšené frekvence a pulzující stejnosměrný proud se
složkou do 10 mA
Příklady použití:
Zařízení s jednofázovými frekvenčními měniči: tepelná
čerpadla, invertorové klimatizace a pračky.
B
Detekovaný proud:
Typ F + hladký stejnosměrný proud
Příklady použití:
Kritické aplikace: nabíjecí stanice pro elektromobily,
fotovoltaické elektrárny, svařovací invertory, průmyslová
zařízení, výtahy.
Časová závislost vypnutí (vypínací charakteristiky)
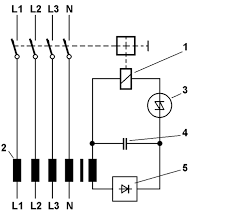
Z hlediska reakce na náhle vzniklý reziduální proud se proudové chrániče dělí na typ bez zpoždění a typ se zpožděným vypínáním. Typy se zpožděným vypínáním jsou doplněny zpožďovacím obvodem. Důležitou součástkou je kondenzátor, který se nabíjí z napětí sekundárního vinutí proudového součtového transformátoru. Krátké pulzy reziduálního proudu nezajistí dostatečné nabití kondenzátoru, teprve delší přítomnost reziduálního proudu vede ke zvýšení jeho napětí. Při překročení pracovního napětí klopného členu dojde k vybití energie kondenzátoru do vinutí vybavovacího relé.
Proudové chrániče typu G jsou navrženy pro dobu nepůsobení 10 ms, u typu S je to 40 ms.
Princip funkce zpožďovacího obvodu (typ G, S)
1 - vybavovací relé
2 - součtový proudový transformátor
3 - klopný člen
4 - kondenzátor
5 - usměrňovač
Praktická instalace, legislativa a moderní řešení
Jističochránič (RCBO): Srdce moderní instalace
Kombinace funkcí jističe a proudového chrániče do jednoho přístroje – jističochrániče (RCBO) – přináší řadu praktických výhod, které z něj činí ideální řešení pro každou novou nebo modernizovanou instalaci.
Úspora místa v rozvaděči: Jednomodulový jističochránič zabírá až o 50 % méně místa než samostatný jistič a chránič, což je obzvláště cenné v malých bytových rozvodnicích.
Jednodušší instalace: Místo propojování dvou přístrojů se instaluje jen jeden, což výrazně zjednodušuje zapojení a minimalizuje riziko chyby.
Selektivita a přehlednost: Použití vlastního jističochrániče pro každý okruh zvyšuje selektivitu instalace. Pokud dojde k poruše, vypne se pouze konkrétní okruh, nikoliv celá skupina obvodů nebo dokonce celý byt, což bývalo běžné u dřívějších řešení s jedním centrálním chráničem. Tato decentralizace ochrany významně snižuje nepohodlí a usnadňuje lokalizaci poruchy.
Komplexní ochrana: RCBO poskytuje ucelenou ochranu proti přetížení, zkratu, zemní poruše a také doplňkovou ochranu při přímém dotyku živých částí.
Při modernizaci starších rozvodů je nasazení jističochráničů ideálním způsobem, jak zvýšit bezpečnost a spolehlivost. Díky své schopnosti individuálně chránit každý okruh a detekovat kumulaci malých unikajících proudů, které by dohromady u centrálního chrániče vyvolaly nežádoucí výpadek celé instalace, představují RCBOs spolehlivou a efektivní odpověď na nároky moderních domácností.
Napěťově nezávislé vs. závislé chrániče: Norma jako záruka bezpečnosti
Zásadním konstrukčním rozdílem, který přímo ovlivňuje spolehlivost ochrany, je napěťová závislost chrániče.
Napěťově závislé chrániče ke svému vybavení potřebují externí napětí z chráněné sítě, které napájí jejich elektroniku. Pokud dojde k přerušení nulového vodiče před chráničem, tato ochrana selhává a uživatel není chráněn při dotyku fázového vodiče.
Schéma
zapojení proudového chrániče závislého na napájecím napětí
1 - součtový proudový transformátor
2 - elektronický zesilovač VE
3 - vybavovací relé A (relé na přítah)
4 - mechanismus chrániče (M2)
Napěťově nezávislé chrániče fungují čistě mechanicky a energii k vypnutí získávají z reziduálního proudu, který vzniká při poruše. Tyto chrániče nepotřebují ke svému vybavení žádné napětí zvenčí, a proto fungují spolehlivě i při výpadku pracovního nulového vodiče.
Schéma
zapojení proudového chrániče nezávislého na napájecím napětí
1 - součtový proudový transformátor
2 - elektronický modul, nejčastěji zpožďovací obvod (pokud je použit)
3 - vybavovací relé s permanentním magnetem (PMA)
4 - mechanismus chrániče
Zranitelnost napěťově závislých chráničů v krizových situacích vedla k tomu, že české a evropské normy (konkrétně ČSN 33 2000-5-53) povolují v domovních instalacích instalovat výhradně napěťově nezávislé proudové chrániče a jističochrániče. Tato legislativní úprava je zásadní pro zajištění maximální bezpečnosti uživatelů.
Zkrácené označení: RCD
Anglický název: Residual Current protective Device
Český název: Proudové chrániče
Zkrácené označení:
RCCB
Anglický název:
Residual Current operated Circut Breakers without integral
overcurent protection for household and similar uses
Český název:
Proudové chrániče bez zabudované nadproudové ochrany pro
domovní a podobné použití
Zkrácené označení:
RCBO
Anglický název:
Residual Current operated circudt Breakers integral Overcurent
protection for household and similar
Český název:
Proudové chrániče se zabudovanou nadproudovou ochranou
(kombinované proudové chrániče s jističem)
Zkrácené označení:
RCM
Anglický název:
Residual Current Monitors for household and simular uses
Český název:
Hlídače reziduálního proudu
Zkrácené označení:
MRCD
Anglický název:
Modular Residual Current Devices
Český název:
Modulární proudové chrániče
Zkrácené označení:
PRCD
Anglický název:
Portable Residzal Current protective Device
Český název:
Přenosné proudové chrániče bez vestavěné nadproudové
ochrany
Zkrácené označení:
SRCD
Anglický název:
Fixed Socket-outlets Residual Current protective Device
Český název:
Proudové chrániče vestavěné do pevných zásuvek nebo
sdružené s těmito zásuvkami
Legislativní požadavky: Co říkají normy a proč je jejich dodržení klíčové
Správná instalace proudových chráničů je v České republice řízena souborem technických norem, jejichž dodržení je pro zajištění bezpečnosti a spolehlivosti elektroinstalace klíčové.
ČSN 33 2000-4-41 ed. 3 (2018): Tato norma zavedla klíčový požadavek, že doplňková ochrana proudovým chráničem s citlivostí do 30 mA musí být zajištěna pro každý elektrický obvod v domovních a podobných instalacích. Týká se to prakticky všech zásuvkových i světelných okruhů, s velmi omezenými výjimkami pro speciální obvody, kde by nežádoucí výpadek mohl způsobit neúměrné škody (např. Mrazničky, ledničky, EZS).
ČSN 33 2130: Tato norma, která se zabývá vnitřními elektrickými rozvody, jde ještě dále a výslovně zakazuje, aby byly světelné a zásuvkové obvody chráněny společným chráničem. Dále doporučuje, aby každý světelný obvod měl svůj vlastní chránič, čímž se předchází nebezpečné situaci, kdy by výpadek jednoho obvodu způsobil úplnou tmu v celém bytě. Norma také výslovně stanovuje, že pro světelné obvody nelze použít proudové chrániče typu AC, ale pouze typy schopné detekovat stejnosměrné složky, tedy minimálně typ A.
ČSN 33 2000-4-482: Tato norma ukládá povinnost používat chrániče s citlivostí do 300 mA v prostorách se zvýšeným rizikem požáru, čímž zajišťuje dodatečnou ochranu majetku před požáry způsobenými plazivými proudy.
Norma: ČSN 33 2000-4-41 ed. 3
Rok vydání: 2018
Hlavní požadavek: Povinnost instalace proudového chrániče (≤ 30 mA) pro každý
obvod v domovních instalacích.
Norma:
ČSN 33 2130
Novější edice normy
Hlavní požadavek:
Samostatný chránič pro světelné a zásuvkové okruhy, zákaz
společné ochrany. Pro světelné obvody minimálně typ A.
Norma:
ČSN 33 2000-5-53
Současná norma
Hlavní požadavek:
Povolení instalace pouze napěťově nezávislých chráničů a
jističochráničů.
Norma:
ČSN 33 2000-4-482
Rok vydání:
2000
Hlavní požadavek:
Povinnost používat chrániče (≤ 300 mA) pro ochranu před
požárem v prostorách se zvýšeným rizikem.
Řešení problémů a údržba
Nejčastější příčiny nechtěného vybavení chrániče: Detektivní práce v rozvaděči
Nechtěné a zdánlivě bezdůvodné vybavování proudového chrániče je častým problémem, který může být frustrující a vést až k nesprávné diagnóze. Existuje několik typických příčin, které je nutné systematicky prověřit.
Součet unikajících proudů: V moderní domácnosti s mnoha spotřebiči se spínanými zdroji (počítače, tiskárny, televize, LED světla) se kumulují malé, ale trvalé svodové proudy. Žádný z těchto spotřebičů nemusí být vadný, ale jejich součet může přesáhnout hranici 30 mA a způsobit nechtěný výpadek u centrálního chrániče, který chrání více okruhů najednou.
Špatné zapojení: Mezi nejčastější chyby patří nesprávné pospojování nulového (N) a ochranného (PE) vodiče za proudovým chráničem, což chránič vyhodnotí jako trvalou poruchu a opakovaně se vypíná. Podobné problémy může způsobit i chybné zapojení ovládacích obvodů (např. HDO pro ovládání bojleru), kdy stykač připojený za chráničem vytváří malý proudový únik, který se přičítá k ostatním svodovým proudům v obvodu a může způsobit vybavení chrániče.
Vadný spotřebič: Nejzřetelnější příčinou je vadný spotřebič s narušenou izolací, u kterého dochází k probíjení proudu na jeho kovovou kostru. Častými případy z praxe jsou poškozené kabely u elektrických sekaček, topinkovačů, domácích vodáren nebo počítačů.
Vlivy sítě a rušení: Vybavení (vypnutí) může být způsobeno i vnějšími vlivy, jako jsou kapacitní proudy na dlouhých venkovních okruzích (např. venkovní osvětlení) nebo rázové proudy od blesků či jiných přepětí.
Příklady nesprávného zapojení proudového chrániče a správné zapojení
Obrázek výše znázorňuje chybně zapojené střední vodiče. Po zapnutí některého ze spotřebičů dojde k vybavení některého z chráničů, protože proudy se rozdělí podle impedance jednotlivých okruhů a vzniklé rozdíly proudů jsou vyhodnoceny jako reziduální proudy.
Pracovní vodič za různými proudovými chrániči se nesmí vzájemně spojovat!
Jak správně testovat a udržovat chránič?
Pravidelná údržba je nezbytná pro zajištění správné funkce a spolehlivosti proudového chrániče. Každý chránič je vybaven testovacím tlačítkem, označeným symbolem "T" nebo "Test". Po jeho stisku se vnitřní obvod s odporem přemostí, simuluje se poruchový proud a funkční chránič musí okamžitě vypnout.
Vnitřní zapojení testovacího tlačítka chrániče
Tento test by měl provádět provozovatel zařízení v intervalech doporučených výrobcem, které se obvykle pohybují od jednoho do šesti měsíců. Pravidelným stiskem testovacího tlačítka se udržuje v chodu mechanický vypínací mechanismus a předchází se jeho "zadření", které by mohlo nastat v důsledku koroze nebo nečistot na třecích plochách. Zanedbání tohoto jednoduchého testu může vést k úplnému vyřazení ochrany v kritickém okamžiku, kdy je nejvíce potřeba.
Pravidelné testování pomocí tlačítka se však liší od profesionální revize elektrické instalace. Revize je odborné měření, které provádí kvalifikovaný elektrikář a které zahrnuje detailní posouzení vypínacích charakteristik chrániče, jako je přesná hodnota vybavovacího proudu a čas reakce, v souladu s normou ČSN 33 2000-6.22.
Kontrola oddělení PE a N vodičů za vypnutým proudovým chráničem
Závěrečná doporučení
Proudový chránič v pyramidě elektrické ochrany
Proudový chránič není osamocený bezpečnostní prvek, ale důležitá součást komplexního a víceúrovňového systému ochrany, který lze metaforicky přirovnat k pyramidě.
1. stupeň: Jistič (MCB) tvoří základ, který chrání elektrické vedení a spotřebiče před poškozením způsobeným zkratem a přetížením. Jistič je proto základní protipožární ochranou.
2. stupeň: Proudový chránič (RCD) je nadstavbou, která zajišťuje ochranu osob a zvířat před úrazem elektrickým proudem. Reaguje na zemní poruchové proudy, na které jistič nereaguje, a poskytuje tak zásadní ochranu života.
3. stupeň: Na samém vrcholu pyramidy stojí oblouková ochrana (AFDD – Arc Fault Detection Device), která představuje nejpokročilejší protipožární ochranu. Tyto přístroje jsou schopny detekovat nebezpečné jiskření a oblouky, které vznikají například v poškozených kabelech, a to i při proudech, na které nereagují ani jističe, ani chrániče. Zavedení této technologie představuje významný krok ve snižování rizika požárů v objektech. Vše o obloukové ochraně AFDD se dozvíte v samostatném článku, který pro Vás připravujeme.
Pouze kombinací všech těchto prvků, doplněnou o ochranu před přepětím, lze dosáhnout maximální a komplexní bezpečnosti, která chrání vedení, spotřebiče, majetek a především lidské životy.
Doporučení pro výběr, instalaci a provoz proudových chráničů
Pro zajištění nejvyšší možné úrovně bezpečnosti se doporučuje řídit se následujícími body:
Pro nové instalace a rekonstrukce preferovat instalaci jističochráničů (RCBO) pro každý jednotlivý okruh. Toto řešení poskytuje nejvyšší komfort, selektivitu a spolehlivost provozu.
Při výběru typu chrániče vždy volit minimálně typ A. Pro obvody se zařízeními, jako jsou tepelná čerpadla nebo pračky s frekvenčním měničem, je vhodné zvážit typ F. Pro speciální aplikace, jako jsou nabíjecí stanice pro elektromobily nebo fotovoltaické elektrárny, je nezbytný typ B.
Vždy dodržovat platné normy, především požadavek na použití napěťově nezávislých chráničů a separaci obvodů pro světla a zásuvky.
Pravidelně testovat funkčnost chrániče stiskem testovacího tlačítka v intervalech doporučených výrobcem (obvykle 1-6 měsíců).
Proudový chránič není pouhou legislativní povinností. Je to investice, která aktivně chrání životy a majetek a přispívá k celkové spolehlivosti a bezpečnosti domácnosti.
Doufáme,
že Vám tato stránka pomohla objasnit, co je to proudový
chránič.
Neváhejte nám svěřit Vaši elektroinstalaci nebo
její rekonstrukci.












